色差儀(yi) 是一種精密的顏色檢測儀(yi) 器,在使用過程中,除了采用正確的方法之外,還應該注意儀(yi) 器的清潔和保養(yang) 。那麽(me) ,對於(yu) 三恩時色差儀(yi) 品牌來說,應該如何清洗保養(yang) 呢?本文結合實際情況,進行了簡單總結。三恩時色差儀(yi) 的清潔一般來說,儀(yi) 器的外觀和白板是用戶可以清潔的。清潔時,必須使用揮發性較高的酒精,記住不要把液體(ti) 放在儀(yi) .......
閱讀量:203 05-232023
色差儀(yi) 線上銷售比較常見,它是一種精密的光學設備,在收到貨品之後,需要進行檢查、校準才能夠正常使用。那麽(me) ,色差儀(yi) 應該如何驗收?有哪些售後服務呢?本文進行了簡單總結。公司的采購人員在不斷的詢價(jia) 比較分析後就開始購買(mai) 產(chan) 品,產(chan) 品購買(mai) 成功色差儀(yi) 很多公司都是以快遞和物流的形式發送儀(yi) 器。在受到產(chan) 品是一定要仔細檢查所.......
閱讀量:223 05-192023
為(wei) 了確保色差儀(yi) 的計量性能符合標準,色差儀(yi) 一般會(hui) 定期送去專(zhuan) 業(ye) 的機構進行檢驗。檢驗之後還會(hui) 出具計量證書(shu) 及報告。那麽(me) ,色差儀(yi) 的計量證書(shu) 怎麽(me) 看呢?本文根據相關(guan) 文件規範買(mai) 就行了簡單匯總。色差儀(yi) 進行計量校準依據是《JJG595-2002測色色差計檢定規程》,檢定規程中對色差儀(yi) 一二級機的穩定性、重複性、複現性、示.......
閱讀量:238 05-192023
色差儀(yi) 和分光測色儀(yi) 是用於(yu) 測量物體(ti) 顏色屬性的儀(yi) 器,它們(men) 之間的主要區別在於(yu) 測量原理和應用領域。1.測量原理的區別色差儀(yi) 采用的是三條基色的刺激值和標準樣品的刺激值之間的差異計算色差的原理。色差儀(yi) 測量的結果常常表示為(wei) L*a*b*色彩空間中的三個(ge) 值,分別代表樣品的亮度、紅/綠度和黃/藍度。分光測色儀(yi) 則采用了分.......
閱讀量:224 05-182023
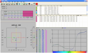
很多型號的色差儀(yi) 可以連接電腦進行使用的,本文就給大家帶來色差儀(yi) 電腦操作教程,有顏色檢測方麵需要的小夥(huo) 伴,不妨來看看吧!色差儀(yi) 電腦控製軟件簡介:SQC8色彩管理控製軟件是NS係列分光型色差儀(yi) 配套軟件,它是集色度學、現代光電子學、計算機科學於(yu) 一體(ti) 的高科技軟件,為(wei) 現代企業(ye) 提供規範化、標準化、數據化的色彩管.......
閱讀量:282 05-172023
色差儀(yi) 有d/8°積分球式和0/45°環形照明式兩(liang) 種幾何條件,不同結構的色差儀(yi) 由於(yu) 測色幾何條件不同,即測量的光路不同,測量的結果會(hui) 有差異,比如0/45°環形照明式的色差儀(yi) 一般隻能測量不透明的物體(ti) ,而d/8°積分球式可以測量透明和不透明物體(ti) 的顏色。本文對d/8°積分球色差儀(yi) 與(yu) 0/45°環形照明式色差儀(yi) 的.......
閱讀量:302 05-162023
珠光色是塑料、化妝品、塗料、油墨行業(ye) 常用的一種色澤,這種色澤顏色閃亮,經過陽光的照射和多層次的反射,呈現出柔和奪目或五彩繽紛的光澤及色彩,但是對於(yu) 這種色澤的品質把控卻非常的具有挑戰性,大多數的企業(ye) 都會(hui) 使用多角度分光測色儀(yi) 。那麽(me) ,多角度分光測色儀(yi) 能否檢測珠光色呢,測量準確嗎,我們(men) 一起來分析一下。珠光色.......
閱讀量:218 05-162023
分光測色儀(yi) 是廣泛應用於(yu) 各個(ge) 領域的一種測試儀(yi) 器,在色彩學、化學、物理學等領域中都扮演了重要的角色。但是在測試過程中,分光測色儀(yi) 的誤差也是無可避免的,那麽(me) 這些誤差的來源是什麽(me) 呢?在本文中,我們(men) 將會(hui) 為(wei) 您詳細地介紹分光測色儀(yi) 測量中的誤差是如何產(chan) 生的,並給出相應的解決(jue) 方案。一、色差使用人為(wei) 誤差1.儀(yi) 器校準不合.......
閱讀量:232 05-162023
三刺激值是我們(men) 使用色差儀(yi) 過程中,經常會(hui) 提到的一個(ge) 詞,這主要是因為(wei) 儀(yi) 器就是模擬人眼進行觀察的原理。很多人不太清楚什麽(me) 是三刺激值,以及色差儀(yi) 三刺激值是怎麽(me) 計算的。其實這個(ge) 詞語與(yu) 人眼觀察顏色的原理有很大關(guan) 係,國際標準委員會(hui) 推薦的三刺激值係統表色法,就是為(wei) 了讓我們(men) 更好的對顏色進行評價(jia) 。三刺激值其實我們(men) 一般用.......
閱讀量:370 05-162023
掃一掃谘詢微信客服